Nixie Tubes in calculators were first introduced in 1955 by Borroughs Corporation, a company my father worked for. In the 70's I acquired a Borroughs Nixie Tube Desktop Calculator, but it got disassembled with worthy parts donated to the junk bin. I've been tinkering since elementary school and so my junk bin grew pretty large over time. One day I had this crazy notion that all this antiquated stuff is just taking up way too much space...

So I took it all to a ham fest tail gating event, and sold it ALL! As they say... hind site is 20-20, and wished I hadn't. But then magically New Old Stock Nixie Tubes started showing up on EBay. Apparently some really smart collectors kept their junk bins, garages, basements, attics, and family rooms full of Nixie Tubes, since tons of Nixies have appeared on EBay over the years! Just search "Nixie Tube" on EBay. That Borroughs Nixie Tube Calculator might have been worth a pretty penny now! I do still have the core memory card that came out of that calculator!
Once life started to move at a more relaxed pace several years ago, I purchase a few IN-14 Nixie Tubes off EBay to make a clock. That's when the OneNixie Clock Shield was born. In the first version, the IN-14 was soldered directly to the shield PCB. It didn't take long after that first design to realize I want to try IN-18's and other tubes.
Subsequent versions then used a mother/daughter board configuration. The Nixie Tube plugs into the daughter board and the daughter board plugs into the motherboard. I now have daughter boards for IN-2, IN-4, IN-8, IN-12, IN-18. This makes it easy to test Nixie Tubes accumulating in my drawer. The mother/daughter board design also made it easy to place an RGB NeoPixel under the tube to light up the glass base.
Next came the OneNixie IN-18 board with embedded ATmega328p. This OneNixie board was housed in a 3x5 inch glass dome on an orange 3D printed base. I designed the base using Solidworks and printed it on a Stratasys MoJo. I've also tried black textured 3D bases made by Shapeways, but the costs of the print is as much as rest of the hardware, including the tube. I've also tried some wood bases, but I've not found an attractive enough base for the clock. I really like the orange Mojo base matching the glow of the tube.
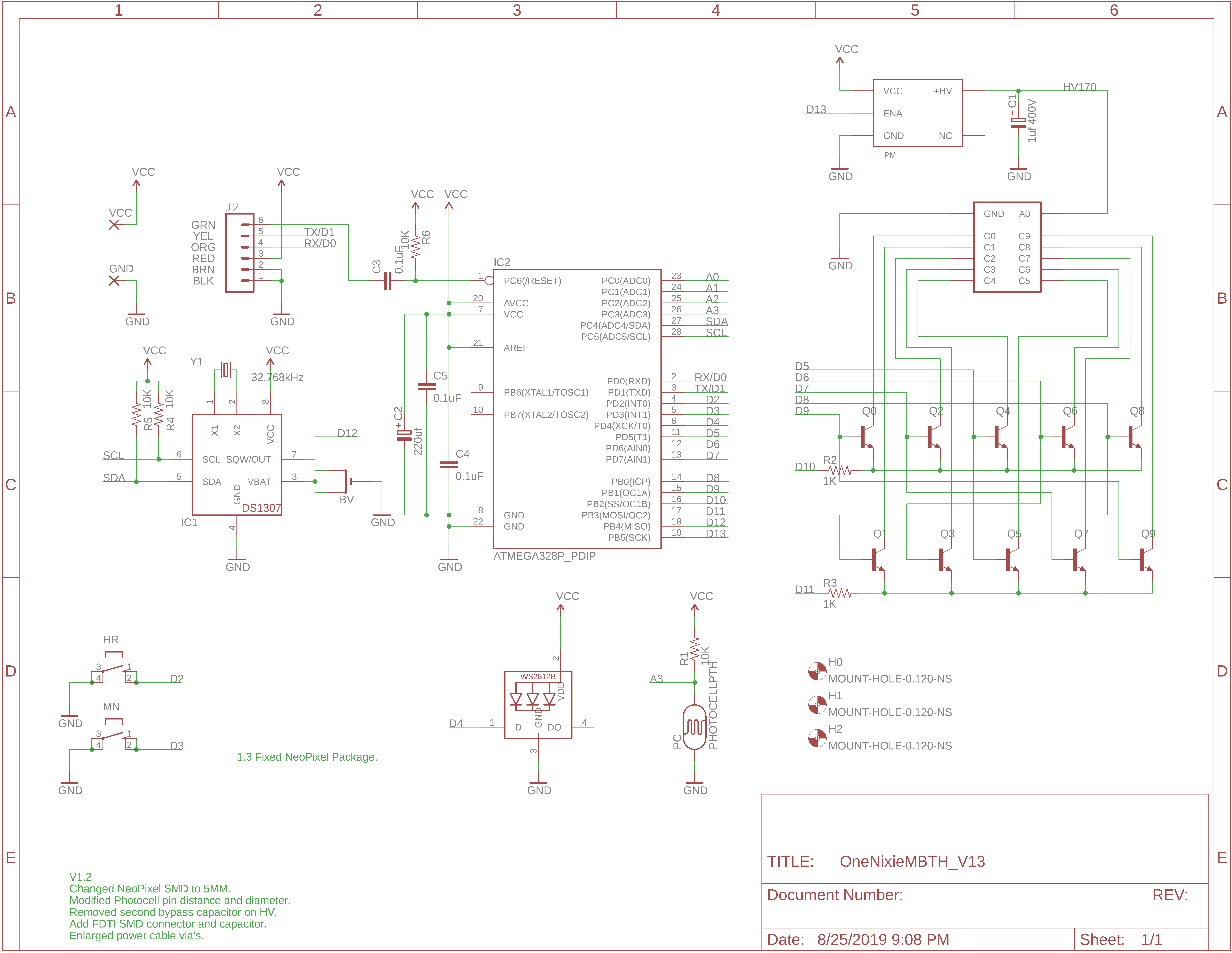
The OneNixie Dome Clock schematic and board designs are shown below. This very latest version of the motherboard now uses a thru-hole NeoPixel with leads soldered to just the right height during assembly.
For a little more information on the clock circuitry, take a look at the "OneNixe Grand Clock" post. I am realizing I need to learn how to take better quality photographs with accurate coloring, shading, and no glare! I am working at it!
Add new comment